தயாரிப்புகள்
ஸ்விங் காசோலை வால்வு
  • ஸ்விங் காசோலை வால்வுஸ்விங் காசோலை வால்வு

ஸ்விங் காசோலை வால்வு

Jinqiu வால்வு ஒரு தரமான ஸ்விங் காசோலை வால்வை உற்பத்தி செய்கிறது, ஒரு தானியங்கி வால்வு ஒரு வழி வால்வு அல்லது காசோலை வால்வு என்றும் அழைக்கப்படுகிறது. அதன் செயல்பாடு குழாயில் உள்ள நடுத்தரத்தை மீண்டும் பாய்வதைத் தடுப்பதாகும், திரவத்தை ஒரு திசையில் பாய அனுமதிக்கிறது. இது பைப்லைன் அமைப்பை சேதப்படுத்தக்கூடிய பின்னடைவை (திரும்ப ஓட்டம்) திறம்பட தடுக்கிறது. வால்வு அதன் திறப்பு மற்றும் மூடும் கூறுகளை ஊடகத்தின் ஓட்டம் மற்றும் சக்தியால் திறக்கிறது அல்லது மூடுகிறது.
Jinquan Valve is a high-tech enterprise integrating valve product research, production, sales, and service. As an H44H and H44Y type PN16 ~ PN250 swing check valves supplier, our customized swing check valves are suitable for pressures of 1.6 ~ 25MPa, working temperatures of -29 ~ +550 ℃, and are applicable to pipeline conditions in the petroleum, chemical, pharmaceutical, fertilizer, power industries, and other environments. Applicable media include water, oil, steam, acidic media, and so on. We have been operating in the valve manufacturing field for over twenty years. With our experience, we have won high praise from the market for our reasonable prices, high quality, and attentive service.

1. தானியங்கி திறப்பு மற்றும் மூடுதல்: ஊடக ஓட்டத்தின் விசையின் அடிப்படையில் ஸ்விங் காசோலை வால்வு தானாகவே திறந்து மூடப்படும். குறிப்பிட்ட திசையில் ஊடகம் பாயும் போது, ​​வால்வு வட்டு திறந்து தள்ளப்படுகிறது, மற்றும் வால்வு திறக்கிறது. மீடியா பாய்வதை நிறுத்தும்போது அல்லது பின்வாங்கும்போது, ​​வால்வு வட்டு அதன் சொந்த எடை அல்லது ஸ்பிரிங் விசையின் கீழ் மூடுகிறது, பின்வாங்கலைத் தடுக்கிறது. தானியங்கி கட்டுப்பாட்டை அடைய, கைமுறை செயல்பாடு தேவையில்லை.
2. நம்பகமான சீல்: வால்வு டிஸ்க் மற்றும் இருக்கையின் சீல் மேற்பரப்புகள் பொதுவாக வெல்டட் செய்யப்பட்ட இரும்பு அடிப்படையிலான அலாய் அல்லது ஸ்டெல்லைட் கோபால்ட் அடிப்படையிலான கடினமான அலாய் மூலம் தயாரிக்கப்படுகின்றன, இது உடைகள்-எதிர்ப்பு, வெப்ப-எதிர்ப்பு, அரிப்பை-எதிர்ப்பு மற்றும் நல்ல கீறல் எதிர்ப்பைக் கொண்டுள்ளது. இது ஒரு நீண்ட கால நிலையான சீல் விளைவை உறுதி செய்கிறது மற்றும் ஊடக கசிவை திறம்பட தடுக்கிறது. 3. தடையற்ற ஓட்டம் சேனல்: ஓட்டம் சேனல் பகுத்தறிவுடன் வடிவமைக்கப்பட்டுள்ளது, இதன் விளைவாக குறைந்த திரவ எதிர்ப்பு உள்ளது. ஊடகங்கள் ஸ்விங் காசோலை வால்வு வழியாக சுமூகமாக செல்ல முடியும், அழுத்தம் இழப்பு மற்றும் ஆற்றல் நுகர்வு ஆகியவற்றைக் குறைக்கிறது.

செயல்திறன் அளவுருக்கள்

மாதிரி H44H-16C~250 H44W-16P~250
வேலை அழுத்தம் (MPa) 1.6~25
சரியான வெப்பநிலை (℃) ≤425 ≤550
பொருத்தமான ஊடகம் நீர், நீராவி, எண்ணெய் பலவீனமான அரிக்கும் ஊடகம்
பொருள் உடல், பொன்னெட், வட்டு கார்பன் எஃகு குரோம் நிக்கல்-டைட்டானியம் துருப்பிடிக்காத எஃகு
சீல் மேற்பரப்பு கார்பன் எஃகு மேற்பரப்பு இரும்பு அடிப்படையிலான உலோகக்கலவைகள் உடல் சீல் வைக்கப்பட்டது

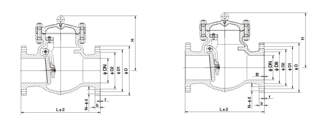
முக்கிய வடிவம் மற்றும் இணைப்பு பரிமாணங்கள்

பெயரளவு விட்டம்DN முக்கிய பரிமாணங்கள் மற்றும் இணைப்பு பரிமாணங்கள்
L D D1 D2 b Z-d H
H44H-16C H44W-16C H44W-16P H44W-16R H44W-16I
25 160 115 85 65 16 4-14 100
32 180 135 100 78 16 4-18 105
40 200 145 100 85 16 4-18 115
50 230 160 125 100 16 4-18 135
65 290 180 145 120 18 4-18 142
80 310 195 160 135 20 8-18 165
100 350 215 180 155 20 8-18 180
125 400 245 210 185 22 8-18 210
150 480 280 240 210 24 8-23 233
200 500 335 295 265 26 12-23 304
250 550 405 355 320 30 12-25 348
300 650 460 410 375 30 12-25 390
350 750 520 470 435 34 16-25 430
400 850 580 525 485 36 16-30 468
H44H-25 H44W-25 H44W-25P H44W-25R H44W-25I
25 160 115 85 65 16 4-14 100
32 180 135 100 78 16 4-18 105
40 200 145 110 85 16 4-18 115
50 230 160 125 100 20 4-18 160
65 290 180 145 120 22 8-18 175
80 310 195 160 135 22 8-18 185
100 350 230 190 160 24 8-23 220
125 400 270 220 188 28 8-25 248
150 480 300 250 218 30 8-25 276
200 550 360 310 278 34 12-25 350
250 650 425 370 332 36 12-30 410
300 750 485 430 390 40 16-30 430
350 850 550 490 448 44 16-34 518
400 950 610 550 505 48 16-34 560

கட்டமைப்பு படம்

சூடான குறிச்சொற்கள்: ஸ்விங் காசோலை வால்வு, சீனா, தனிப்பயனாக்கப்பட்ட, தரம், நீடித்த, மேம்பட்ட, உற்பத்தியாளர், சப்ளையர், தொழிற்சாலை, கையிருப்பில் உள்ளது
விசாரணையை அனுப்பு
தொடர்பு தகவல்
  • முகவரி

    எண்.1, வடக்கு 1வது சாலை, ஸ்டெயின்லெஸ் ஸ்டீல் நியூ டவுன், லெகாங் ஸ்டீல் வேர்ல்ட் வெஸ்ட் ரோடு, ஷுண்டே மாவட்டம், ஃபோஷன் சிட்டி, குவாங்டாங் மாகாணம், சீனா

  • டெல்

    +86-757-28788895

  • மின்னஞ்சல்

    jinqiufamen@gmail.com

கேட் வால்வுகள், குளோப் வால்வுகள் மற்றும் காசோலை வால்வுகள் அல்லது விலைப்பட்டியல் பற்றிய விசாரணைகளுக்கு, உங்கள் மின்னஞ்சலை எங்களுக்கு அனுப்பவும், நாங்கள் 24 மணி நேரத்திற்குள் தொடர்பில் இருப்போம்.

செய்தி பரிந்துரைகள்
X
உங்களுக்கு சிறந்த உலாவல் அனுபவத்தை வழங்கவும், தள போக்குவரத்தை பகுப்பாய்வு செய்யவும் மற்றும் உள்ளடக்கத்தைத் தனிப்பயனாக்கவும் நாங்கள் குக்கீகளைப் பயன்படுத்துகிறோம். இந்தத் தளத்தைப் பயன்படுத்துவதன் மூலம், எங்கள் குக்கீகளைப் பயன்படுத்துவதை ஒப்புக்கொள்கிறீர்கள். தனியுரிமைக் கொள்கை
நிராகரிக்கவும் ஏற்றுக்கொள்