தயாரிப்புகள்
வார்ப்பு எஃகு சரிபார்ப்பு வால்வு
  • வார்ப்பு எஃகு சரிபார்ப்பு வால்வுவார்ப்பு எஃகு சரிபார்ப்பு வால்வு

வார்ப்பு எஃகு சரிபார்ப்பு வால்வு

Jinqiu வால்வு உயர்தர வார்ப்பு எஃகு சரிபார்ப்பு வால்வுகளை உற்பத்தி செய்கிறது, அவை ஊடகத்தின் ஓட்ட அழுத்தத்தின் அடிப்படையில் தானாகவே திறக்கும் மற்றும் நடுத்தர பின்னோக்கி பாயும் போது ஈர்ப்பு அல்லது பின் அழுத்தத்தால் தானாகவே மூடப்படும் தானியங்கி வால்வுகள். இந்த வால்வுகள் பல்வேறு தொழில்துறை குழாய்களுக்கு ஏற்றவை, பொதுவாக வார்ப்பிரும்புகளால் செய்யப்பட்டவை, மேலும் அவை பல்வேறு ஊடகங்கள் மற்றும் வெப்பநிலை நிலைகளுக்கு பொருந்தும்.

ஜின்கியூ வால்வ் தொழிற்சாலையின் நீடித்த வார்ப்பு எஃகு சரிபார்ப்பு வால்வு இருபுறமும் சமச்சீராக உள்ளது, இது இருதரப்பு ஊடக ஓட்டத்தை அனுமதிக்கிறது. நிறுவல் நேரடியானது, பைப்லைன் திசையை கருத்தில் கொள்ள வேண்டிய தேவையை நீக்குகிறது, மேலும் செயல்பாடு நெகிழ்வானது மற்றும் வசதியானது. எங்கள் தொழிற்சாலை முதலில் ஒருமைப்பாடு மற்றும் தரம் கொள்கைகளை கடைபிடிக்கிறது. உங்கள் விசாரணைகளை நாங்கள் அன்புடன் வரவேற்கிறோம் மற்றும் உங்களுடன் ஒரு நீண்ட கால கூட்டுறவு உறவை ஏற்படுத்த நம்புகிறோம். உற்பத்தியில் எங்களுக்கு நன்மைகள் உள்ளன, அதே நேரத்தில் உங்களுக்கு விற்பனையில் நன்மைகள் உள்ளன. ஒத்துழைப்பின் மூலம், வெற்றி-வெற்றி நிலையை அடைய முடியும் என்று நாங்கள் நம்புகிறோம், மேலும் ஒன்றாக வளர நாங்கள் நம்புகிறோம்!


1. குறைந்த திரவ எதிர்ப்பு: வார்ப்பு எஃகு சரிபார்ப்பு வால்வின் உள் ஊடகம் ஒரு நேர்கோட்டில் குறைந்த எதிர்ப்பைக் கொண்டு பாய்கிறது, மென்மையான திரவ போக்குவரத்து, ஆற்றல் திறன் மற்றும் நடைமுறைத்தன்மையை எளிதாக்குகிறது.
2. திறப்பதற்கும் மூடுவதற்கும் எளிதானது: வார்ப்பு எஃகு சரிபார்ப்பு வால்வின் வாயில் திரவத்துடன் செங்குத்தாக நகரும், திறக்க மற்றும் மூடுவதற்கு குறைந்தபட்ச சக்தி தேவைப்படுகிறது, செயல்பாட்டை எளிதாக்குகிறது மற்றும் தொழிலாளர் செலவுகளை சேமிக்கிறது.
3. கட்டுப்பாடற்ற நடுத்தர ஓட்டம் திசை: வார்ப்பு எஃகு சரிபார்ப்பு வால்வு இருபுறமும் சமச்சீராக உள்ளது, இது இருதரப்பு நடுத்தர ஓட்டத்தை அனுமதிக்கிறது. நிறுவலுக்கு குழாய் ஓட்டத்தின் திசையை கருத்தில் கொள்ள தேவையில்லை, இது செயல்பாட்டை நெகிழ்வானதாகவும் வசதியாகவும் செய்கிறது.
4. சிறந்த சீல் செயல்திறன்: முழுமையாக திறக்கும் போது உடைகள் குறைவாக இருக்கும்; மூடப்படும் போது, ​​அழுத்தம் ஒரு முத்திரையை கட்டாயப்படுத்தி, நடுத்தர கசிவை திறம்பட தடுக்கிறது.

செயல்திறன் அளவுருக்கள்

மாதிரி H44H-16C~2=-0 H44W-16P~250
வேலை அழுத்தம் (MPa) 1.6~25
சரியான வெப்பநிலை (℃) ≤425 ≤550
பொருத்தமான ஊடகம் நீர், நீராவி, எண்ணெய் பலவீனமான அரிக்கும் ஊடகம்
பொருள் உடல், பொன்னெட், வட்டு கார்பன் எஃகு குரோம் நிக்கல்-டைட்டானியம் துருப்பிடிக்காத எஃகு
சீல் மேற்பரப்பு கார்பன் எஃகு மேற்பரப்பு இரும்பு அடிப்படையிலான உலோகக்கலவைகள் உடல் சீல் வைக்கப்பட்டது

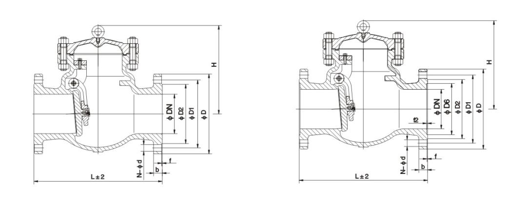
முக்கிய வடிவம் மற்றும் இணைப்பு பரிமாணங்கள்

பெயரளவு விட்டம்DN முக்கிய பரிமாணங்கள் மற்றும் இணைப்பு பரிமாணங்கள்
L D D1 D2 b Z-d H
H44H-16C H44W-16C H44W-16P H44W-16R H44W-16I
25 160 115 85 65 16 4-14 100
32 180 135 100 78 16 4-18 105
40 200 145 100 85 16 4-18 115
50 230 160 125 100 16 4-18 135
65 290 180 145 120 18 4-18 142
80 310 195 160 135 20 8-18 165
100 350 215 180 155 20 8-18 180
125 400 245 210 185 22 8-18 210
150 480 280 240 210 24 8-23 233
200 500 335 295 265 26 12-23 304
250 550 405 355 320 30 12-25 348
300 650 460 410 375 30 12-25 390
350 750 520 470 435 34 16-25 430
400 850 580 525 485 36 16-30 468
H44H-25 H44W-25 H44W-25P H44W-25R H44W-25I
25 160 115 85 65 16 4-14 100
32 180 135 100 78 16 4-18 105
40 200 145 110 85 16 4-18 115
50 230 160 125 100 20 4-18 160
65 290 180 145 120 22 8-18 175
80 310 195 160 135 22 8-18 185
100 350 230 190 160 24 8-23 220
125 400 270 220 188 28 8-25 248
150 480 300 250 218 30 8-25 276
200 550 360 310 278 34 12-25 350
250 650 425 370 332 36 12-30 410
300 750 485 430 390 40 16-30 430
350 850 550 490 448 44 16-34 518
400 950 610 550 505 48 16-34 560

கட்டமைப்பு படம்

சூடான குறிச்சொற்கள்: வார்ப்பு எஃகு சரிபார்ப்பு வால்வு, சீனா, தனிப்பயனாக்கப்பட்ட, தரம், நீடித்த, மேம்பட்ட, உற்பத்தியாளர், சப்ளையர், தொழிற்சாலை, கையிருப்பில் உள்ளது
விசாரணையை அனுப்பு
தொடர்பு தகவல்
  • முகவரி

    எண்.1, வடக்கு 1வது சாலை, ஸ்டெயின்லெஸ் ஸ்டீல் நியூ டவுன், லெகாங் ஸ்டீல் வேர்ல்ட் வெஸ்ட் ரோடு, ஷுண்டே மாவட்டம், ஃபோஷன் சிட்டி, குவாங்டாங் மாகாணம், சீனா

  • டெல்

    +86-757-28788895

  • மின்னஞ்சல்

    jinqiufamen@gmail.com

கேட் வால்வுகள், குளோப் வால்வுகள் மற்றும் காசோலை வால்வுகள் அல்லது விலைப்பட்டியல் பற்றிய விசாரணைகளுக்கு, உங்கள் மின்னஞ்சலை எங்களுக்கு அனுப்பவும், நாங்கள் 24 மணி நேரத்திற்குள் தொடர்பில் இருப்போம்.

செய்தி பரிந்துரைகள்
X
உங்களுக்கு சிறந்த உலாவல் அனுபவத்தை வழங்கவும், தள போக்குவரத்தை பகுப்பாய்வு செய்யவும் மற்றும் உள்ளடக்கத்தைத் தனிப்பயனாக்கவும் நாங்கள் குக்கீகளைப் பயன்படுத்துகிறோம். இந்தத் தளத்தைப் பயன்படுத்துவதன் மூலம், எங்கள் குக்கீகளைப் பயன்படுத்துவதை ஒப்புக்கொள்கிறீர்கள். தனியுரிமைக் கொள்கை
நிராகரிக்கவும் ஏற்றுக்கொள்