தயாரிப்புகள்
API சோதனை வால்வு
  • API சோதனை வால்வுAPI சோதனை வால்வு

API சோதனை வால்வு

Jinqiu Valve உயர்தர API சரிபார்ப்பு வால்வுகள் ASME, API மற்றும் GB தரநிலைகளை சந்திக்கின்றன. மேம்பட்ட CNC எந்திர மையங்கள் மற்றும் உலோக வெட்டு உபகரணங்களுடன், நிறுவனம் CAD/CAM தொழில்நுட்பத்தை தயாரிப்பு வடிவமைப்பு மற்றும் உற்பத்தியில் பயன்படுத்துகிறது, அதன் API காசோலை வால்வு பாகங்களின் துல்லியம் மற்றும் தரத்தை உறுதி செய்வதற்காக ISO9001 தரநிலைகளை பின்பற்றுகிறது.

Jinqiu Valve, சீனாவில் ஒரு தொழில்முறை சரிபார்ப்பு வால்வுகள் உற்பத்தியாளர், எங்கள் API காசோலை வால்வுகள் முழுவதுமாக அமெரிக்க தரநிலைகளின்படி வடிவமைக்கப்பட்டு தயாரிக்கப்படுகின்றன. இந்த வால்வுகள் ஒரு அழகியல் அமைப்பு மற்றும் மேம்பட்ட தொழில்நுட்பத்தை கொண்டுள்ளது. API சரிபார்ப்பு வால்வுகள், மீடியம் ஓட்டத்தின் அடிப்படையில் வால்வு வட்டை தானாகவே திறந்து மூடும். அவை ஒரு வழி வால்வுகள், காசோலை வால்வுகள் அல்லது பின்னோக்கி வால்வுகள் என்றும் அழைக்கப்படுகின்றன. அவற்றின் முக்கிய செயல்பாடுகள் ஊடகத்தின் பின்னடைவைத் தடுப்பது, பம்ப் மற்றும் டிரைவ் மோட்டார் தலைகீழாக மாறுவதைத் தடுப்பது மற்றும் கொள்கலனுக்குள் ஊடகத்தின் கசிவைத் தடுப்பது.


1. லோ ஃப்ளோ ரெசிஸ்டன்ஸ்: ஏபிஐ காசோலை வால்வு முழுமையாக திறந்திருக்கும் போது, ​​ஓட்ட பாதை கிட்டத்தட்ட தடையின்றி இருக்கும், இதன் விளைவாக குறைந்த அழுத்தம் குறைகிறது.
2. விரைவு மூடல் மற்றும் பின்னடைவு தடுப்பு: வால்வு டிஸ்கின் நெம்புகோல் நடவடிக்கையானது, பின்னடைவின் தொடக்கத்தில் கூட விரைவான மறுமொழி மற்றும் மூடுதலை அனுமதிக்கிறது.
3. பரவலான பொருந்தக்கூடிய தன்மை: DN50 முதல் DN1200 மற்றும் அதற்கு மேற்பட்ட குழாய் விட்டம் கொண்ட பரந்த அளவிலான குழாய்களுக்கு ஏற்றது.

செயல்திறன் அளவுருக்கள்

வரிசை எண் திட்டத்தின் பெயர் அளவுரு
1 பெயரளவு அழுத்தம்PN (MPa) 150எல்பி 300எல்பி 600எல்பி 900எல்பி 1500எல்பி 2500எல்பி
2.0 5.0 10.0 15.0 25.0 42.0
2 ஷெல் வலிமை சோதனை அழுத்தம் அறை வெப்பநிலையில் பெயரளவு அழுத்தம் 1.5 மடங்கு
3 உயர் அழுத்த முத்திரை சோதனை அழுத்தம் அறை வெப்பநிலையில் பெயரளவு அழுத்தம் 1.1 மடங்கு
4 அறை வெப்பநிலையில் வேலை அழுத்தம் ASME B16.34 அழுத்தம் மற்றும் வெப்பநிலை மதிப்பீட்டை அழுத்தவும்

தயாரிப்பு விவரக்குறிப்புகள்

வடிவமைப்பு தரநிலைகள் கட்டமைப்பு நீளம் ஃபிளாஞ்ச் இணைப்பு அளவு சோதனை மற்றும் ஆய்வு அழுத்தம் மற்றும் வெப்பநிலை குறிப்பு
API6D/ASME B16.34 ASME B16.10 ASME B16.5 API598/API6D ASME B16.34

முக்கிய பகுதி பொருள்

பகுதி பெயர் பொருள் பெயர்
உடல் A216 WCB A217 WC6 A351 CF8 A351 CF8M A351 CF3 A351 CF3M
தொப்பி A216 WCB A217 WC6 A351 CF8 A351 CF8M A351 CF3 A351 CF3M
வால்வு தட்டு A216 WCB A217 WC6 A351 CF8 A351 CF8M A351 CF3 A351 CF3M
சீல் மேற்பரப்பு 13Cr/STL எஸ்.டி.எல் உடல் / எஸ்.டி.எல் உடல் / எஸ்.டி.எல் உடல் / எஸ்.டி.எல் உடல் / எஸ்.டி.எல்
வால்வு தண்டு A182 F6a A182 F11 A182 F304 A182 F316 A182 F304L A182 F316L
கேஸ்கெட் நெகிழ்வான கிராஃபைட் நெகிழ்வான கிராஃபைட் நெகிழ்வான கிராஃபைட் நெகிழ்வான கிராஃபைட் நெகிழ்வான கிராஃபைட் நெகிழ்வான கிராஃபைட்
போல்ட் A193 B7 A193 B16 A193 B8 A193 B8M A193 B8 A193 B8M
கொட்டை A194 2H A194 4 A194 8 A194 8M A194 8 A194 8M
இயக்க வெப்பநிலை -29~425℃ -29~540℃ -46~425℃ -46~425℃ -46~425℃ -46~425℃
பொருத்தமான ஊடகம் நீராவி நீராவி பலவீனமான அரிக்கும் பலவீனமான அரிக்கும் பலவீனமான அரிக்கும் பலவீனமான அரிக்கும்

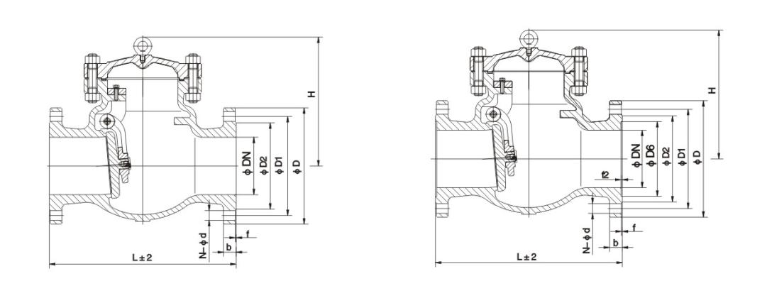
முக்கிய வடிவம் மற்றும் இணைப்பு பரிமாணங்கள்

பெயரளவு விட்டம் அளவு
m உள்ளே L D D1 D2 b f n-Φd H
H44H-150Lb
50 2 203 152 120.5 92 16 1.6 4-19 180
80 3 241 192 152.5 127 19 1.6 4-19 190
100 4 297 229 190.5 157 24 1.6 8-19 203
125 5 330 254 216 186 24 1.6 8-22 229
150 6 356 279 241.5 216 26 1.6 8-22 257
200 8 495 342 298.5 270 29 1.6 8-22 292
250 10 622 406 362 324 31 1.6 12-25 355
300 12 698 483 432 381 32 1.6 12-25 396
H44H-300Lb
50 2 267 165 127 92 23 1.6 8-19 178
80 3 318 210 168.5 127 29 1.6 8-22 216
100 4 356 254 200 157 32 1.6 8-22 241
125 5 400 279 235 186 35 1.6 8-22 267
150 6 444 318 270 216 37 1.6 12-22 305
200 8 533 381 330 270 42 1.6 12-25 368
250 10 622 445 387 324 48 1.6 16-29 394
300 12 711 521 451 381 51 1.6 16-32 445
H44H-600Lb
50 2 295 165 127 92 33 6.4 8-19 203
80 3 359 210 168 127 36 6.4 8-22 235
100 4 435 273 216 157 45 6.4 8-25 286
125 5 511 330 266.5 186 52 6.4 8-29 292
150 6 562 356 292 216 55 6.4 12-29 330
200 8 664 419 349 270 63 6.4 12-32 381
250 10 791 510 432 324 71 6.4 16-35 457
300 12 842 559 489 381 74 6.4 20-35 584

கட்டமைப்பு படம்

சூடான குறிச்சொற்கள்: API சோதனை வால்வு, சீனா, தனிப்பயனாக்கப்பட்ட, தரம், நீடித்த, மேம்பட்ட, உற்பத்தியாளர், சப்ளையர், தொழிற்சாலை, கையிருப்பில் உள்ளது
விசாரணையை அனுப்பு
தொடர்பு தகவல்
  • முகவரி

    எண்.1, வடக்கு 1வது சாலை, ஸ்டெயின்லெஸ் ஸ்டீல் நியூ டவுன், லெகாங் ஸ்டீல் வேர்ல்ட் வெஸ்ட் ரோடு, ஷுண்டே மாவட்டம், ஃபோஷன் சிட்டி, குவாங்டாங் மாகாணம், சீனா

  • டெல்

    +86-757-28788895

  • மின்னஞ்சல்

    jinqiufamen@gmail.com

கேட் வால்வுகள், குளோப் வால்வுகள் மற்றும் காசோலை வால்வுகள் அல்லது விலைப்பட்டியல் பற்றிய விசாரணைகளுக்கு, உங்கள் மின்னஞ்சலை எங்களுக்கு அனுப்பவும், நாங்கள் 24 மணி நேரத்திற்குள் தொடர்பில் இருப்போம்.

X
உங்களுக்கு சிறந்த உலாவல் அனுபவத்தை வழங்கவும், தள போக்குவரத்தை பகுப்பாய்வு செய்யவும் மற்றும் உள்ளடக்கத்தைத் தனிப்பயனாக்கவும் நாங்கள் குக்கீகளைப் பயன்படுத்துகிறோம். இந்தத் தளத்தைப் பயன்படுத்துவதன் மூலம், எங்கள் குக்கீகளைப் பயன்படுத்துவதை ஒப்புக்கொள்கிறீர்கள். தனியுரிமைக் கொள்கை
நிராகரிக்கவும் ஏற்றுக்கொள்