தயாரிப்புகள்
துருப்பிடிக்காத எஃகு குளோப் வால்வு
  • துருப்பிடிக்காத எஃகு குளோப் வால்வுதுருப்பிடிக்காத எஃகு குளோப் வால்வு

துருப்பிடிக்காத எஃகு குளோப் வால்வு

நீடித்த J41H, J41Y, J41W ஸ்டெயின்லெஸ் ஸ்டீல் குளோப் வால்வு JQF வால்வால் தயாரிக்கப்பட்டது. அதன் திறப்பு மற்றும் மூடும் பகுதி ஒரு உருளை வால்வு மடல் ஆகும், சீல் மேற்பரப்பு பிளாட் அல்லது கூம்பு ஆகும், மேலும் வால்வு மடல் திரவத்தின் மையக் கோட்டுடன் நேர்கோட்டில் நகரும். துருப்பிடிக்காத எஃகு கட்-ஆஃப் வால்வு முழு திறப்பு மற்றும் முழு மூடுதலுக்கு மட்டுமே பொருத்தமானது. ஓட்ட விகிதத்தை சரிசெய்ய இது பொதுவாகப் பயன்படுத்தப்படுவதில்லை. தனிப்பயனாக்கும்போது அதை சரிசெய்யலாம் மற்றும் த்ரோட்டில் செய்யலாம்.
Foshan Jinqiu Valve Co., LTD. வடிவமைப்பு, மேம்பாடு, உற்பத்தி, விற்பனை மற்றும் சேவையை ஒருங்கிணைக்கும் உயர்தர துருப்பிடிக்காத எஃகு குளோப் வால்வு உற்பத்தியாளர். எங்கள் முக்கிய தயாரிப்புகளில் பல்வேறு கட்டுப்பாட்டு வால்வுகள், மின்சார வால்வுகள், நியூமேடிக் வால்வுகள், சோலனாய்டு வால்வுகள், கையேடு வால்வுகள், ஆக்சுவேட்டர்கள் மற்றும் வால்வு பாகங்கள் ஆகியவை அடங்கும்.
எங்கள் துருப்பிடிக்காத எஃகு குளோப் வால்வு என்பது துருப்பிடிக்காத எஃகு வார்ப்பு உடல், இரு முனைகளிலும் விளிம்பு இணைப்புகள் மற்றும் கேட் வால்வு அமைப்பு ஆகியவற்றைக் கொண்ட ஒரு கேட் வால்வு ஆகும். அதன் முக்கிய செயல்பாடு துல்லியமாக ஓட்டத்தை ஒழுங்குபடுத்துவது அல்லது குழாய்களில் உள்ள ஊடகத்தை நம்பகத்தன்மையுடன் மூடுவது.
அதன் சிறந்த அரிப்பு எதிர்ப்பு மற்றும் நம்பகமான சீல் செயல்திறன் காரணமாக, இது இரசாயன, பெட்ரோகெமிக்கல், உணவு மற்றும் மருந்துத் தொழில்களில் அரிக்கும் ஊடகங்கள் அல்லது உயர்-தூய்மை பயன்பாடுகளுக்கான விருப்பமான வால்வுகளில் ஒன்றாக மாறியுள்ளது.
Customers trust JQF valves' high quality, reliable performance, and good and comprehensive customer service. We will continue to innovate to provide first-class valve solutions.

1. எளிய அமைப்பு: துருப்பிடிக்காத எஃகு குளோப் வால்வின் வடிவமைப்பு எளிமையானது, உற்பத்தி மற்றும் பராமரிப்பை வசதியாகவும் திறமையாகவும் செய்கிறது.
2. ரேபிட் ரெஸ்பான்ஸ்: குறுகிய வேலை செய்யும் பக்கவாதம் மிக வேகமாக வால்வு திறப்பதற்கும் மூடுவதற்கும் அனுமதிக்கிறது.
3. நீடித்த சீல்: சிறந்த சீல் விளைவு, குறைந்தபட்ச உராய்வு எதிர்ப்பு மற்றும் நீண்ட சேவை வாழ்க்கை.

நிர்வாக தரநிலை

வடிவமைப்பு விவரக்குறிப்புகள்: ஜிபி / டி 12235
கட்டமைப்பு நீளம்: ஜிபி / டி 12221
Flange இணைப்பு: JB / T 79
சோதனை மற்றும் ஆய்வு: JB / T 9002
தயாரிப்பு அடையாளம்: GB / T 12220
டெலிவரி விவரக்குறிப்புகள்: JB / T 7928

செயல்திறன் அளவுருக்கள்

மாதிரி J41H-16C~160C J41Y-16C~160C J41W-16P~160P
வேலை அழுத்தம் (MPa) 1.6-16.0
சரியான வெப்பநிலை (℃) ≤425 ≤150
பொருத்தமான ஊடகம் நீர், நீராவி, எண்ணெய் பலவீனமான அரிக்கும் ஊடகம்
பொருள் உடல், பொன்னெட் கார்பன் எஃகு குரோம் நிக்கல்-டைட்டானியம் துருப்பிடிக்காத எஃகு
வால்வு தண்டு குரோம் துருப்பிடிக்காத எஃகு குரோம் நிக்கல்-டைட்டானியம் துருப்பிடிக்காத எஃகு
சீல் மேற்பரப்பு இரும்பு அடிப்படையிலான கலவைகள் மேற்பரப்பு கடினமான அலாய் உடல் பொருள்
நிரப்பி அஸ்பெஸ்டாஸ் கிராஃபைட், நெகிழ்வான கிராஃபைட், PTFE

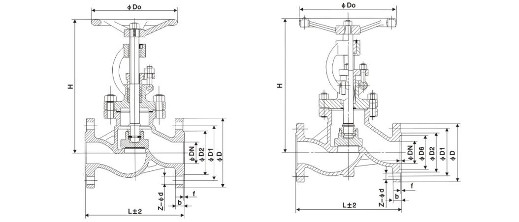
முக்கிய வடிவம் மற்றும் இணைப்பு அளவு

பெயரளவு விட்டம் முக்கிய பரிமாணங்கள் மற்றும் இணைப்பு பரிமாணங்கள்
L D D1 D2 b Z-d H D0
J41H-16C
15 130 95 65 45 14-2 4-Φ14 170 120
20 150 105 75 55 14-2 4-Φ14 190 140
25 160 115 85 65 14-2 4-Φ14 205 160
32 180 135 100 78 16-2 4-Φ18 270 180
40 200 145 110 85 16-3 4-Φ18 310 200
50 230 160 125 100 16-3 4-Φ18 358 240
65 290 180 145 120 18-3 4-Φ18 373 240
80 310 195 160 135 20-3 8-Φ18 435 280
100 350 215 180 155 20-3 8-Φ18 500 300
125 400 245 210 185 22-3 8-Φ18 614 320
150 480 280 240 210 24-3 8-Φ23 674 360
200 600 335 295 265 26-3 12-Φ23 811 400
250 650 405 355 320 30-3 12-Φ25 969 450
300 750 460 410 375 30-3 12-Φ25 1145 580
350 850 520 470 435 34-4 16-Φ25 1280 640
400 980 580 525 485 36-4 16-Φ30 1452 640
J41H-25C
15 130 95 65 45 16-2 4-Φ14 170 120
20 150 105 75 55 16-2 4-Φ14 190 140
25 160 115 85 65 16-2 4-Φ14 205 160
32 180 135 100 78 18-2 4-Φ18 270 180
40 200 145 110 85 18-3 4-Φ18 310 200
50 230 160 125 100 20-3 4-Φ18 358 240
65 290 180 145 120 22-3 8-Φ18 373 240
80 310 195 160 135 22-3 8-Φ18 435 280
100 350 230 190 160 24-3 8-Φ23 500 300
125 400 270 220 188 28-3 8-Φ25 614 320
150 480 300 250 218 30-3 8-Φ25 674 360
200 600 360 310 278 34-3 12-Φ25 811 400
250 650 425 370 332 36-3 12-Φ30 969 450
300 750 485 430 390 40-4 16-Φ30 1145 580
350 850 550 490 448 44-4 16-Φ34 1280 640
400 980 610 550 505 48-4 16-Φ34 1452 640

கட்டமைப்பு படம்

சூடான குறிச்சொற்கள்: துருப்பிடிக்காத ஸ்டீல் குளோப் வால்வு, சீனா, தனிப்பயனாக்கப்பட்ட, தரம், நீடித்த, மேம்பட்ட, உற்பத்தியாளர், சப்ளையர், தொழிற்சாலை, கையிருப்பில் உள்ளது
விசாரணையை அனுப்பு
தொடர்பு தகவல்
  • முகவரி

    எண்.1, வடக்கு 1வது சாலை, ஸ்டெயின்லெஸ் ஸ்டீல் நியூ டவுன், லெகாங் ஸ்டீல் வேர்ல்ட் வெஸ்ட் ரோடு, ஷுண்டே மாவட்டம், ஃபோஷன் சிட்டி, குவாங்டாங் மாகாணம், சீனா

  • டெல்

    +86-757-28788895

  • மின்னஞ்சல்

    jinqiufamen@gmail.com

கேட் வால்வுகள், குளோப் வால்வுகள் மற்றும் காசோலை வால்வுகள் அல்லது விலைப்பட்டியல் பற்றிய விசாரணைகளுக்கு, உங்கள் மின்னஞ்சலை எங்களுக்கு அனுப்பவும், நாங்கள் 24 மணி நேரத்திற்குள் தொடர்பில் இருப்போம்.

X
உங்களுக்கு சிறந்த உலாவல் அனுபவத்தை வழங்கவும், தள போக்குவரத்தை பகுப்பாய்வு செய்யவும் மற்றும் உள்ளடக்கத்தைத் தனிப்பயனாக்கவும் நாங்கள் குக்கீகளைப் பயன்படுத்துகிறோம். இந்தத் தளத்தைப் பயன்படுத்துவதன் மூலம், எங்கள் குக்கீகளைப் பயன்படுத்துவதை ஒப்புக்கொள்கிறீர்கள். தனியுரிமைக் கொள்கை
நிராகரிக்கவும் ஏற்றுக்கொள்